Wind Power Module Solution
- 1200V/1700V/2300V Ultra-Low Dynamic/Static Loss 1GBT, Boosting Efficiency in Wind Power Converters and Other MW-Level Power Systems
- Operates reliably in -50°C extreme cold environments, with long-term junction temperatures up to 175°C, enabling higher system overloads
- Exceptional resistance to moisture, sulfidation, and salt fog for high-reliability applications like offshore wind power
- Superior power cycling capability extends converter system lifespan and reduces maintenance costs
- High-performance, high-reliability 1200V/1700V/2300V SiC MOSFET products. Combined with sintering technology, they extend device lifespan and improve system efficiency.




Introduction to the Wind Power IGBT Module Series
Products featuring micro-groove field-stop IGBT chips and an enhanced Easy3B package cover 1700V/2300V wind power converter applications and provide 1200V centralized energy storage modules for wind farm integration.

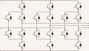
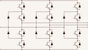
Three-Phase Full-Bridge

NPC1

ANPC
| Product model | chip Types | Ic(A)@25℃ | Topology | Rated(V) | Packaging |
|---|---|---|---|---|---|
| HCG900FH120D3H1L | IGBT | 900 | Half Bridge | 1200 | Econo Dual 3A |
| HCG600FH120D3ME1 | IGBT | 600 | Half Bridge | 1200 | Econo Dual 3A |
| HCG800FH170D3RE2 | IGBT | 800 | Half Brige | 1700 | Econo Dual 3A |
| HCG450FH170D3RE2 | IGBT | 450 | Half Bridge | 1700 | Econo Dual 3A |
| HCG300FH170D3RE1 | IGBT | 300 | Half Bridge | 1700 | Econo Dual 3A |
| HCG450FH120D3E1E | IGBT | 450 | Half Bridge | 1200 | Econo Dual 3A |
| HCG450FH170D3E1A | IGBT | 600 | Half Bridge | 1700 | Econo Dual 3A |
| HCG600FH170D3E1 | IGBT | 600 | Half Bridge | 1700 | Econo Dual 3A |
| HCG225FH170D3K4 | IGBT | 225 | Half Bridge | 1700 | Econo Dual 3A |
| HCG600FC170D3K4G1 | IGBT | 600 | Chopper | 1700 | Econo Dual 3A |
| HCG1200FC170D3K5 | IGBT | 1200 | Chopper | 1700 | Econo Dual 3A |
| HCG75FH170A11 | IGBT | 75 | Half Bridge | 1700 | 34mm |
| HCG100FH170A11 | IGBT | 100 | Half Bridge | 1700 | 34mm |
| HCG400FH120A2RB | IGBT | 400 | Half Bridge | 1200 | 62mm |
| HCG500FH170A2RE1 | IGBT | 500 | Half Bridge | 1700 | 62mm |
Advanced Chip Technology & System Efficiency
From semiconductor structure to system topology, every detail is optimized for photovoltaic operating conditions.
Trench Field-Stop IGBT Chip Design
Advanced trench gate and field-stop structures significantly reduce conduction voltage drop and switching energy losses, improving efficiency under both partial-load and rated-load wind conditions.
Optimized Dynamic Performance
Carefully balanced switching characteristics minimize turn-on and turn-off losses while reducing EMI stress, enabling higher switching frequencies and more compact converter designs.
Lower System-Level Losses
Reduced semiconductor losses translate directly into lower heat generation, easing thermal management requirements at the converter level.
Higher Annual Energy Yield
Improved efficiency across wide operating ranges helps increase the overall energy yield of wind turbines over their full service life.
Request Datasheets & Samples
Download detailed datasheets or request samples to validate performance in your wind power application.
Extreme Environmental Robustness
Designed for wide temperature ranges, harsh climates, and long-term power cycling reliability.
Wide Temperature Operating Capability
Modules support operation down to –50°C ambient temperature, making them suitable for cold climate wind farms and high-altitude installations.
High Junction Temperature Margin
Maximum junction temperature up to 175°C provides strong thermal headroom during overload, grid fault, or transient operating conditions.
Enhanced Environmental Resistance
Optimized materials and package design offer strong resistance to humidity, corrosion, and sulfur-rich environments, critical for offshore and coastal wind farms.
Excellent Power Cycling Performance
Superior solder joint and interconnection design enables high power cycling endurance, significantly extending converter service life and reducing maintenance frequenc
Why Choose HIITIO
HIITIO is an engineering-driven power semiconductor manufacturer specializing in IGBT module design for demanding industrial and renewable energy applications.
With strong in-house capabilities covering chip selection, module packaging, thermal optimization, and reliability validation, HIITIO delivers products engineered for long-term operation under harsh electrical and environmental conditions.
- In-House Module Design & Manufacturing
- Proven Wind Power Application Experience
- Industrial-Grade Reliability Testing
- Flexible Technical & Customization Support

Application Scenarios
Supporting multiple converter topologies in modern wind energy architectures.

Generator-side converters for variable-speed wind turbines

Grid-side inverters ensuring stable grid interconnection

NPC and ANPC multi-level converter topologies

Wind–storage integrated systems for grid stabilization and peak shaving
Common questions about HIITIO Wind Power IGBT Modules
What wind power applications are these IGBT modules designed for?
HIITIO wind power IGBT modules are designed for generator-side converters, grid-side inverters, and wind–storage integrated systems. They support both medium- and high-power wind turbine platforms.
Are these modules suitable for offshore wind turbine environments?
Yes. The modules feature enhanced resistance to humidity, corrosion, and sulfur environments, making them suitable for offshore and coastal wind power installations.
What voltage classes and current ratings are available?
The product portfolio covers 1200V, 1700V, and 2300V voltage classes, with rated current options up to 1200A at 25°C, supporting a wide range of converter power levels.
Which converter topologies are supported?
HIITIO IGBT modules support half-bridge and chopper configurations and are suitable for NPC and ANPC multi-level converter topologies commonly used in wind power systems.
How do these modules perform under wide temperature conditions?
The modules are designed for operation down to –50°C ambient temperature, with a maximum junction temperature of up to 175°C, ensuring stable performance under extreme climate conditions.
What reliability tests are performed on the modules?
HIITIO conducts comprehensive reliability testing, including thermal cycling, power cycling, and electrical stress tests, aligned with industrial and renewable energy application standards.
How can I request datasheets, samples, or technical support?
You can contact HIITIO directly through the inquiry form to request datasheets, samples, or engineering support for your wind power project.
Latest News

High Power Density Modules Boosting Efficiency in 5G and Data Centers
Explore high power density modules for 5G stations and data centers offering compact size efficient cooling and advanced SiC IGBT technology.

Low-Noise SiC Power Modules Boost Efficiency in Medical Imaging Supplies
Explore low-noise SiC power modules for medical imaging power supplies delivering high efficiency low EMI compact design and reliable performance

Power Module Packaging Comparison Standard vs Advanced Performance
Compare standard versus advanced power module packaging for SiC GaN devices exploring thermal resistance reliability power density and efficiency.
Find the Right IGBT Module for Your Wind Project
Talk to HIITIO engineers to select the optimal IGBT module for your wind turbine converter or energy system design.
HIITIO is a global provider of power semiconductor solutions, specializing in IGBT modules for wind power and renewable energy applications. Supported by strong in-house engineering capabilities, rigorous reliability validation, and advanced manufacturing processes, we deliver high-reliability power modules designed for demanding industrial and energy systems.
1200V–2300V IGBT Platforms
–50°C to 175°C Wide Design
Industrial-Grade Power
20 Years of Expertise
Get A Free Quote
- We will contact you within 24 hours
- Don’t worry, we hate spam too!
Powered by HIITIO | Privacy Policy
