Electric Welding Machine Module Solution
- 1200V and 1700V IGBT power modules designed for electric welding machine inverters, featuring optimized switching performance for single-phase and three-phase topologies and improved system efficiency.
- Half-bridge configurations compatible with common welding converter structures, enabling stable and controllable welding power output.
- Multiple package options including 34mm, 62mm, and SOT227 to support different power levels and equipment designs.
- IGBT solutions provide lower switching losses and higher operating temperature capability, helping increase welding efficiency and power density.
- Standardized module platform simplifies system integration and shortens equipment development cycles.



Introduction to the Electric Welding Machine Series
Advanced IGBT modules specifically optimized for electric welding machines. These modules feature high-voltage ratings up to 1700V, ultra-low switching losses, and robust packaging options like 34mm, 62mm, and SOT-227. Designed for both single-phase and three-phase circuit topologies, our solutions ensure efficient power conversion, high reliability in demanding industrial environments, and seamless integration into welding systems.

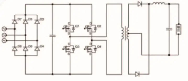
Single-Phase Circuit Topology

Three-Phase Circuit Topology
| Product model | Chip Types | Ic(A)@25℃ | Topology | Rated(V) | Packaging |
|---|---|---|---|---|---|
| HCG150FH120A11 | IGBT | 150 | Half Bridge | 1200 | 34mm |
| HCG100FH120A11 | IGBT | 100 | Half Bridge | 1200 | 34mm |
| HCG600FH120A2H1 | IGBT | 600 | Half Bridge | 1200 | 62mm |
| HCG450FH120A2H1 | IGBT | 450 | Half Bridge | 1200 | 62mm |
| HCG300FH120A2H1 | IGBT | 300 | Half Bridge | 1200 | 62mm |
| HCG150FH120A21 | IGBT | 150 | Half Bridge | 1200 | 62mm |
| HCG300FH170A2RE1 | IGBT | 300 | Half Bridge | 1700 | 62mm |
| HCG200FH170A2RE1 | IGBT | 200 | Half Bridge | 1700 | 62mm |
| HCG200HF120A21 | IGBT | 200 | Half Bridge | 1200 | 62mm |
| HCG400FH120A2RB | IGBT | 400 | Half Bridge | 1200 | 62mm |
Welding-Oriented Device & Topology Optimization
From device performance to inverter topology compatibility, the modules are developed to meet the requirements of electric welding machine systems.
Welding-Specific Voltage Platforms
Dedicated voltage ratings of 1200V and 1700V align with common welding machine DC bus requirements, supporting both low-power handheld units and high-power industrial systems.
Ultra-Low Switching and Conduction Losses
Utilizing trench-field-stop IGBT technology, our modules minimize energy dissipation during on-off cycles, leading to cooler operation and higher efficiency in welding arcs.
Professional Support for Welding Topologies
Optimized for single-phase and three-phase bridge configurations, including half-bridge setups that are prevalent in inverter welders for precise current control.
Designed for Harsh Industrial Environments
With junction temperatures up to 175°C, these modules withstand dust, vibration, and high ambient temperatures typical in welding workshops, ensuring long-term reliability.
Build Your Next Welding System with HIITIO
Leverage our expertise to select the ideal IGBT modules for your electric welding machine designs. Whether for arc welding, MIG/TIG, or spot welding applications, we provide tailored solutions to enhance performance and reduce costs.
System-Oriented Power Semiconductor Expertise
Designed to meet the continuous operation and thermal management requirements of electric welding machine power supplies.
Application-Focused Power Semiconductor Development
We prioritize real-world welding scenarios, from portable consumer tools to heavy-duty manufacturing equipment, ensuring our modules meet stringent power and durability needs.
Comprehensive Voltage and Packaging Portfolio
From 1200V to 1700V, with compact 34mm to robust 62mm and SOT-227 packages, offering flexibility for various welding machine form factors.
Topology- and Application-Based Product Selection
Choose based on circuit topology, current ratings, switching frequency, and thermal requirements to optimize your welding inverter designs.
Designed for Scalability and Long-Term Reliability
Supports parallel module configurations for higher power outputs and features high consistency for stable operation in demanding welding cycles.
Why Choose HIITIO
HIITIO is an engineering-driven power semiconductor manufacturer focused on IGBT module solutions for electric welding machine applications. With in-house capabilities in module design, package platform development, thermal performance optimization, and application-oriented validation, HIITIO delivers power modules that support stable and efficient operation in industrial welding systems.
- Engineering-Driven Innovation
- Advanced IGBT Modules
- Versatile Packaging Solutions
- Reliable Industrial Durability

Application Scenarios
Supporting multiple converter topologies in modern electric welding machine architectures.

Inverter-Based Arc Welders

MIG/TIG Welding Systems

Spot and Seam Welders

Stationary Welders
FAQs
How do I select the right IGBT module for my welding machine?
Consider key factors such as input voltage, required output current, circuit topology (single-phase or three-phase), switching frequency, and operating environment. Our 1200V modules are ideal for standard applications, while 1700V options are suited for high-voltage demands in industrial settings.
Can these IGBT modules be used in parallel for higher power welding applications?
Yes, our modules feature excellent parameter consistency and thermal matching, allowing safe parallel operation to scale power output without performance degradation, making them suitable for high-power industrial welders.
What is the typical lifespan and reliability of HIITIO IGBT modules in welding machines?
Designed for harsh industrial environments, our modules offer high reliability with MTBF (Mean Time Between Failures) exceeding 1 million hours under standard conditions, supported by robust packaging and advanced thermal management.
How do HIITIO modules improve energy efficiency in electric welding machines?
By minimizing switching losses and enabling high-frequency operation, our IGBTs can increase overall system efficiency by up to 20%, reducing energy consumption and operational costs in continuous welding processes.
Are HIITIO IGBT modules compatible with existing welding inverter designs?
Yes, our standardized half-bridge configurations and packaging options (34mm, 62mm, SOT-227) ensure easy integration and compatibility with most common inverter topologies, simplifying upgrades or retrofits.
How do the 1200V and 1700V ratings differ in welding applications?
The 1200V modules are optimized for general-purpose welding with standard DC bus voltages, while 1700V modules handle higher voltage stresses in advanced or high-power systems, providing greater safety margins and flexibility.
Can HIITIO IGBT modules operate in high-temperature environments?
Yes, with junction temperatures rated up to 175°C and enhanced thermal dissipation in our packaging, they perform reliably in elevated ambient temperatures common in welding workshops.
How can I request datasheets, samples, or technical support?
You can contact HIITIO directly through the inquiry form to request datasheets, samples, or engineering support for your wind power project.
Latest News

High-Frequency Switching and Cooling Solutions for Laser Modules
Discover advanced high-frequency switching and cooling solutions for laser modules enhancing efficiency thermal management and reliability in laser systems

Practical EMC Design Optimization for Power Modules with Low EMI
Discover practical EMC design and optimization techniques for power modules to reduce EMI, improve PCB layouts, and ensure compliance efficiently.

Fault Diagnosis and Predictive Maintenance in Smart Grid Power Modules
Discover advanced fault diagnosis and predictive maintenance strategies for smart grid power modules using AI, IoT, and condition monitoring to improve reliability and efficiency.
Elevate Your Welding Systems with HIITIO IGBT Modules
Partner with HIITIO Semiconductor for cutting-edge IGBT solutions tailored to your needs. Contact our experts today for personalized consultations, product samples, technical resources, and competitive quotes
HIITIO is a global provider of power semiconductor solutions, focusing on IGBT and SiC power modules for welding systems and industrial power conversion applications. With strong in-house engineering capabilities in module design, package platform development, thermal optimization, and application-oriented validation, we deliver high-reliability power modules that support stable and efficient operation in demanding industrial systems.
Optimized Welding Performance
Ultra-Low Switching Losses
Superior Thermal Management
Seamless Integration Support
Get A Free Quote
- We will contact you within 24 hours
- Don’t worry, we hate spam too!
Powered by HIITIO | Privacy Policy
